工业现场的“地”的五个分类
2026年02月28日 09:23:17
来源:云南昌晖仪表制造有限公司 >> 进入该公司展台
阅读量:20
工程师必须掌握的工业现场“接地”!非常有用,一定要收藏好!
首先,你要知道工业现场的“地”是怎么来的。
日常生活用电都是三相交流电,而工厂供电系统见的就是三相五线制供电。其中,除了三根相线与一根中性线之外,还有一根就是PE(Protective Earth)线。那么这根PE线,其实就是我们系统的“地”。
在实际应用中,除了TT系统,绝大多数的供电系统,都是将这根PE线在变压器的中性点与大地进行直接连接的;TT系统是单独将PE线做了接大地的处理。此时,这根做了接地处理的PE线就是我们系统中的“保护地”(图1)。

设备的金属外壳,控制柜体的外壳、柜门等等,都是接到我们的保护地,目的就是保护人身的安全。
因此,保护地是我们系统中最基本的一个“地”,同时也是最重要的一个“地”。
除了保护地,我们要说的系统的另外一个“地”就是“工作地”。
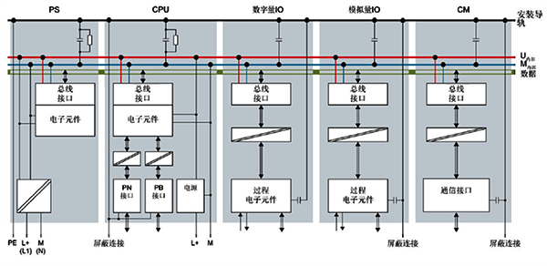
工作地的主要作用,就是为工作电压(一般指的直流工作电压)提供一个基准点。例如:DC24V的M端。当我们把PLC模块供电的所有M端连接在一起当做基准点的时候,理论上,相对于这个基准点,所有的PLC的模块的电平都是一致,输入以及输出的信号电平之间不存在电势差。这样,就确保了整个PLC系统供电是一致的。这个基准点,我们就称之为“工作地”(图2)。

我们要讲的第三个地,是为了减少系统中的干扰而专门设置的一个地,我们称之为“屏蔽地”。顾名思义,这个地就是将系统中的屏蔽电缆的屏蔽层以及设备上的屏蔽端子进行连接的一个“地”。这个屏蔽地的主要目的,是防止信号之间的相互干扰,保障系统工作稳定。
除了上述三个“地”,我们系统中还有常见的两个地,分别是本质安全仪表的地和防雷接地。
作者:杨光
版权与免责声明:
1.凡本网注明"来源:全球贸易网"的所有作品,版权均属于全球贸易网,转载请必须注明全球贸易网。违反者本网将追究相关法律责任。
2.企业发布的公司新闻、技术文章、资料下载等内容,如涉及侵权、违规遭投诉的,一律由发布企业自行承担责任,本网有权删除内容并追溯责任。
3.本网转载并注明自其它来源的作品,目的在于传递更多信息,并不代表本网赞同其观点或证实其内容的真实性,不承担此类作品侵权行为的直接责任及连带责任。其他媒体、网站或个人从本网转载时,必须保留本网注明的作品来源,并自负版权等法律责任。
4.如涉及作品内容、版权等问题,请在作品发表之日起一周内与本网联系。