广告招募

当前位置:全球贸易网 > 技术中心 > 所有分类

福建省固废处置有限公司厂区噪音治理方案

2026年02月26日 09:46:59      来源:福州乐信环保科技有限公司 >> 进入该公司展台      阅读量:17

分享:

福建省固废处置有限公司厂区噪音治理方案

                                      

                                                ——福州乐信环保科技有限公司

一、项目概况

      福建省固废处置有限公司为满足生产经营需要,在厂区安装有大量高噪声设备,其中主要有以下几个高噪声源:1、水泵站(目前92dB); 2、冷却塔(目前85dB); 3、离心风机(目前87dB); 4、水泵(目前89dB);5、空压机(目前87dB);6、6#轴流风机(目前87dB);7、罗茨风机(目前93dB);8搅拌泵(目前90dB);9、蒸汽排放口(110dB),厂区声环境超出国家标准(GBZ 1-2010 工业企业设计卫生标准)较多,高噪声对厂区工作人员的身心将造成较大影响,为提高员工工作环境,提高工作效率,对此单位特别重视,特委托我司(福州乐信环保科技有限公司)针对此进行噪音治理方案的设计。


二、噪声治理目标的确定

      依据《工业企业设计卫生标准》GBZ 1-2010 及业主要求,做出如下治理目标:

序号

噪声控制点

达到效果

执行标准

备注

1

处理设施外1m

降低15 dBA

工业企业设计卫生标准GBZ 1-2010

扣除背景噪声

2

厂区整体噪声

80dBA

工业企业设计卫生标准 GBZ 1-2010

检测时,未做处理的设备关闭


三、噪声源分析

1、水泵噪声

     1)液体动力性噪声

       水泵工作时,连续出现动力压强脉冲,从而激发泵体和管路系统的阀门、管道等部件振动,由此而辐射噪声。

      (2)泵的机械噪声

       由于泵体内传递压力的不平衡运动,形成部件间的冲撞力和磨擦力,从而引起结构振动而发声。

      (3)阀门的噪声

       带有节流或限压作用的阀门,是液体传输管道中影响的噪声源,而且这种噪声顺流向下可沿管道传播很远,且这种无规则的噪声频谱呈宽带,它能激发阀门或管道中可动部件的固有振动,并通过这些部件作用于其它相邻部件传至管道表面,由此产生的噪声类似金属相撞产生的有调声音。

      (4)管路的噪声

液压系统的泵件噪声和阀门噪声主要沿管体传播,并透过管道壁面辐射出去。

2、冷却塔噪声

       冷却塔主要靠机械通风冷却循环热水。用泵将循环热水送到水分布器喷出,水沿着填料下淋落到水池。由风机将冷空气引入与下淋的热水接触,进行热交换,将水冷却。冷却塔的噪声源由以下几部分组成:

     (1)风机进排气噪声(主要噪声源)

     (2)淋水噪声(主要噪声源)

     (3)风机减速器和电动机噪声

     (4)冷却塔水泵、配管和阀门噪声;

其中,主要是风机运行进排气噪声和淋水噪声,风机通过进排气口和塔体向外辐射噪声。排气口噪声比进气口噪声高约5~10dB(A),其频谱特性是以低频为主的连续谱,属低频噪声。循环热水从淋水装置下落时,与塔底接水盘中的积水撞击产生的淋水属高频噪声,淋水声的大小与淋水高度和单位时间的水流量有关。

3、离心风机噪声

        离心风机噪声主要来自下列噪声源:

       (1)风机空气动力性噪声

        风机空气动力性噪声包括旋转噪声和湍流噪声。旋转噪声是风机叶片旋转周期性打击空气而引起的气体压力脉动噪声;湍流噪声主要是风机叶片旋转时附着在叶片上的空气不断滑脱成旋涡而产生的噪声。风机空气动力性噪声通过进气口、排气口、风机壳体三种途径影响室内外环境。

(2)电动机噪声

电动机噪声主要包括:由旋转子动平衡不良引起的旋转噪声、旋转子切割磁场引起的电磁噪声、冷却风扇的空气动力性噪声、轴承摩擦产生的机械噪声等。

(3)管道噪声

进气管道和排气管道噪声,包括在管道中传递的离心风机空气动力性噪声和管道再生噪声,这些噪声经管道壁向外辐射。管道再生噪声分为机械性振动噪声和空气动力性涡流噪声。机械性振动噪声是管壁、阀门部件在高速气流撞击下,以及高强度风机空气动力性噪声作用下受迫振动时产生的噪声;涡流噪声是气体在管道中流动受到扰动时产生的噪声,气体在管道中呈湍流状态,在管道截面变化处、急剧拐弯处、节流阀门处均产生涡流噪声。

(4)电机和风机运行振动噪声

       风机和配套电机在运行过程中会产生振动,振动噪声一般以结构传声的方式传播,因其一般为低频噪声,故传播距离远,衰减小,对人体的危害也大。

4、空压机噪声

       (1)机械噪声

往复惯性力和旋转惯性力是引起压缩机振动和噪声的主要原因。一阶惯性力可以通过设计平衡块平衡,但是二阶惯性力是不能通过设计平衡块平衡。因此,这种周期性的不平衡力可以激发较高频率的振动,当受振零部件的固有频率等于周期性不平衡力频率的整数倍时,则会使零部件产生强烈的共振,从而产生强噪声。此外,活塞撞击气缸和阀板、阀片撞击阀片限位器都会产生撞击噪声。压缩机的机械性噪声,一般包括构件的撞击、摩擦、活塞的振动、气阀的冲击噪声等,这些噪声带有随机性,呈宽频带特性。

(2)气动噪声

气动噪声是气体的流动或物体在气体中运动引起空气的振动产生的。在冰箱压缩机中,由于间歇地吸气、排气,产生压力波动,激起阀片和管路振动,从而产生噪声。压缩机的进气噪声是由于气流在进气管内的压力脉动而产生的。进气噪声的基频与进气管里的气体脉动频率相同,与压缩机的转速有关。压缩机的排气噪声是由于气流在排气管内产生压力脉动所致。排气噪声比进气噪声弱,所以,压缩机的气动噪声一般以进气噪声为主。此外,压缩机机体的振动激起壳体中的制冷剂气体共振,也会产生噪声。

(3)电磁噪声

电机的电磁力作用在定、转子的气隙中会产生旋转力波和脉动力波,使定子产生振动而辐射噪声,这类噪声为电磁噪声。它与电机气隙内的谐波磁场及由此产生的电磁力波的幅值、频率,极数以及定子本身的振动特性(如固有频率、阻尼、机械阻抗)均有密切的关系,还与电机的声学特性有关。压缩机噪声源中气动噪声,其次为机械性噪声和电磁噪声。

低频噪声具有传播距离远,在空气中衰减量小,对人体危害严重等特点。

5、6#轴流风机噪声

      (1)旋转噪声

        由于叶片周围不对称结构与叶片旋转所形成的周向不均流场相互作用而产生的噪声。它与叶轮的转速有关,特别在高速、低负荷情况下,这种噪声尤为突出。

      (2)涡流噪声

涡流噪声主要是由于气流流经叶片时产生紊流附面层及漩涡与漩涡分裂脱体,而引起叶片上压力脉动所造成的涡流噪声,这种涡流具有很宽的频率范围,通常称为宽频噪声。

(3)电动机噪声   

电动机噪声主要包括:由旋转子动平衡不良引起的旋转噪声、旋转子切割磁场引起的电磁噪声、冷却风扇的空气动力性噪声、轴承摩擦产生的机械噪声等。

6、罗茨风机噪声

      (1)空气动力性噪声

        风机空气动力性噪声包括旋转噪声和湍流噪声。旋转噪声是风机叶片旋转周期性打击空气而引起的气体压力脉动噪声;湍流噪声主要是风机叶片旋转时附着在叶片上的空气不断滑脱成旋涡而产生的噪声。风机空气动力性噪声通过进气口、排气口、风机壳体三种途径影响室内外环境。

       (2)电动机噪声

       电动机噪声主要包括:由旋转子动平衡不良引起的旋转噪声、旋转子切割磁场引起的电磁噪声、冷却风扇的空气动力性噪声、轴承摩擦产生的机械噪声等。

       (3)管道噪声

       进气管道和排气管道噪声,包括在管道中传递的罗茨风机空气动力性噪声和管道再生噪声,这些噪声经管道壁向外辐射。管道再生噪声分为机械性振动噪声和空气动力性涡流噪声。机械性振动噪声是管壁、阀门部件在高速气流撞击下,以及高强度风机空气动力性噪声作用下受迫振动时产生的噪声;涡流噪声是气体在管道中流动受到扰动时产生的噪声,气体在管道中呈湍流状态,在管道截面变化处、急剧拐弯处、节流阀门处均产生涡流噪声。

       (4)电机和风机运行振动噪声

       风机和配套电机在运行过程中会产生振动,振动噪声一般以结构传声的方式传播,因其一般为低频噪声,故传播距离远,衰减小,对人体的危害也大。

7、搅拌泵噪声

       搅拌泵主要噪声源为:

      (1)机组本体机械噪声

      (2)机组内部压力传递不平衡振动噪声

      (3)电机电磁噪声

8、蒸汽排放口噪声

       蒸汽排气口高噪声源是:

      (1)高速气流形成湍流产生噪声

      (2)高速气流产生二次噪声


四、方案设计规范及依据

      1.《工业企业设计卫生标准》GBZ 1-2010

      2.《民用建筑隔声设计规范》GB50118—2010

      3.《声环境质量标准》GB3096-2008

      4.《建筑设计防火规范》GB16—87(2001年板)

      5.现场技术人员勘察及记录的数据

      6.我公司类似降噪工程的成功经验


五、噪声治理措施

      因整个工厂已经投入运营生产,噪音改造受到客观条件较大限制,给降噪的工作带来了极大的困难,我司工程技术部在认真考虑研究现场勘察技术资料,结合公司多年治理同类型经验过后,本着经济、科学、合理为原则就本次噪声治理,综合采取综合技术、单独治理为主体降噪思路,即在技术采取隔、吸、消等综合治理手段对噪声源单独进行噪声治理方案的设计。

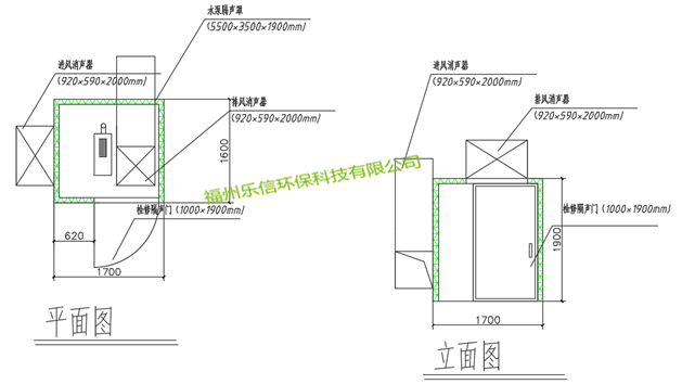
1、水泵站噪声治理措施

水泵站噪声治理

      (1)通风消声器:设计为两进两出通风消声器,设计消声器消声量与隔声罩相匹配,也就是15dB(A),消声器主要由消声器外壳及内部消声筒组成,消声器外壳由吸隔声板拼接而成,材质与隔声罩吸隔声板一致,消声筒材质为:0.5mm穿孔铝板+玻纤布+230mm64K离心+玻纤布+0.5mm穿孔铝板。


      (2)隔声罩(将水泵噪声限制在隔声罩内部,降低噪声对周围环境的影响)尺寸设计为5500×3500×1900mm(H)。隔声罩罩体也就是吸隔声板,组成材质为1.2mm镀锌钢板 +玻纤布+80mm64K离心+玻纤布+0.5mm穿孔铝板,综合隔声量达到15dB(A)。


      (3)检修门:为方便进行机组检修,在隔声罩适当位置,安装一扇1000*1900mm(H)的检修门,方便检修人员进出。

      (4)采光天窗:在隔声罩顶部安装一采光天窗,使隔声罩内光源不会损失太多,白天能目视清晰。采光天窗尺寸:2000*600m。噪声治理示意图如下:

噪声治理示意图


噪声治理示意图2


2、冷却塔噪声治理措施

冷却塔噪声治理

      (1)冷却塔落水噪声:沿着护栏内侧安装一扇U字型隔声屏障,隔声屏障噪声衰减量设计为15dB(A),隔声屏障材质与吸隔声板一致,隔声屏障设计尺寸为:(5000+5000+5000)×3000mm。这样即可以有效解决冷却塔落水噪声。

      (2)冷却塔排风口噪声:在排风口安装一个3000*3000*1500mm的排风消声器,其中有效消声长度为1000mm,预留500mm作为气流缓冲层。噪声治理示意图如下:


冷却塔噪声治理示意图


噪声治理示意图2


3、离心风机噪声处理措施

离心风机噪声治理

      (1)离心风机整体隔声罩:将两台离心风机整体采用隔声罩的形式,5600×5200×2400mm(H),将离心风机噪声限制在隔声罩范围内。隔声罩材质组成:1.2mm镀锌钢板 +玻纤布+80mm64K离心+玻纤布+0.5mm穿孔铝板。设计隔声量15dB(A)。

      (2)通风消声器:安装两进两出通风消声器,并在排风消声器配套安装低噪声轴流风机进行强制散热。

      (3)检修门:为方便进行机组检修,在隔声罩适当位置,安装一扇1000*2000mm(H)的检修门,方便检修人员进出。

      (4)采光天窗:在隔声罩顶部安装一扇采光天窗,使隔声罩内光源不会损失太多,白天能目视清晰。采光天窗尺寸:2000*600m,噪声治理示意图如下:

离心风机噪声治理示意图


离心风机噪声治理示意图2


 

4、水泵噪声处理措施

水泵噪声治理

      (1)隔声罩(将水泵噪声限制在隔声罩内部,降低噪声对周围环境的影响)尺寸设计为1600×1700×1900(H)。隔声罩罩体也就是吸隔声板,组成材质为1.2mm镀锌钢板+玻纤布+80mm64K离心+玻纤布+0.8穿孔铝板,综合隔声量达到15dB(A)。

      (2)通风消声器:设计为一进一出通风消声器,设计消声器消声量与隔声罩相匹配,也就是15dB(A),消声器主要由消声器外壳及内部消声筒组成,消声器外壳由吸隔声板拼接而成,材质与隔声罩吸隔声板一致,消声筒材质为:0.5mm穿孔铝板+玻纤布+230mm64K离心+玻纤布+0.5mm穿孔铝板。

      (3)检修门:为方便进行机组检修,在隔声罩适当位置,安装一扇800*1400mm(H)的检修门,方便检修人员进出。

      (4)采光天窗:在隔声罩顶部安装一扇采光天窗,使隔声罩内光源不会损失太多,白天能目视清晰。采光天窗尺寸:1700*600mm,噪声治理示意图如下:

水泵噪声治理示意图

5、空压机房噪声处理措施

      (1)隔声检修门:因空压机位于室内,空压机房为砖墙结构,具有较好的隔性能,噪声由空压机房门(普通防火门)隔声量不足,且为满足机组进风需求,需要敞开,故对防火门进行改造,顶部800mm改造为进风消声器,即不影响进风,又有效降低噪声对外界的影响,下部1800mm改造为隔音防火门,门洞尺寸:1460*1800(H),设计隔声检修门隔声量为15dB,隔声检修门材质组成为:1.5mm门框+1.5mm门板,内部填充80mm64K离心(防火)。

      (2)排气口消声器:空压机房内噪声也由3个排气口“漏出”,故需要在3个排气口出口安装排风消声器,设计出风消声器消声量为15dB(A),消声器设计尺寸为:1250*1000*2500mm。,噪声治理示意图如下:

空压机房噪声治理示意图

空压机房噪声治理示意图2


6、6#轴流风机处理措施

6#轴流风机噪声治理

(1)轴流风机消声通道:安装一920*920*3200mm的消声通道,这样在轴流风机噪声将在室内外有较大的衰减量,设计衰减量为15dBA),噪声治理示意图如下:

6#轴流风机噪声治理示意图


6#轴流风机示意图2


7、罗茨风机噪声处理措施

罗茨风机噪声治理

      (1)隔声罩(将水泵噪声限制在隔声罩内部,降低噪声对周围环境的影响)尺寸设计为5500×3900×2400(H)。隔声罩罩体也就是吸隔声板,组成材质为1.2mm镀锌钢板+玻纤布+80mm64K离心+玻纤布+0.5穿孔铝板,综合隔声量达到15dB(A)。

      (2)通风消声器:设计为二进二出通风消声器,并安装2套低噪声轴流风机进行强制排风,保证罗茨风机电机正常工程,设计消声器消声量与隔声罩相匹配,也就是15dB(A),消声器主要由消声器外壳及内部消声筒组成,消声器外壳由吸隔声板拼接而成,材质与隔声罩吸隔声板一致,消声筒材质为:0.8mm穿孔铝板+玻纤布+230mm64K离心+玻纤布+0.80.8mm穿孔铝板,消声器设计尺寸:590*920*1000mm。

      (3)检修门:为方便进行机组检修,在隔声罩适当位置,安装一扇1000*2000mm(H)的检修门,方便检修人员进出。

      (4)采光天窗:在隔声罩顶部安装一采光天窗,使隔声罩内光源不会损失太多,白天能目视清晰。采光天窗尺寸:2000*600mm,噪声治理示意图如下:

罗茨风机噪声治理示意图


罗茨风机噪声治理示意图2

8、搅拌泵噪声处理措施

搅拌泵噪声治理

      (1)消声通道:设计板封闭隔声罩(消声通道)也就是在搅拌泵四周采取吸隔声板包围,预留泵排风方向作为泵的排风及散热通道,设计消声量达到15dB(A)。噪声治理示意图如下:

搅拌泵噪声治理示意图

9、蒸汽排放口噪声处理措施

蒸汽排放口噪声治理

      (1)在每个排气口安装一蒸汽消声器,设计消声量为15dB(A),消声器材质为4mm不锈钢板组成,采用法兰连接,方便安装拆卸。

蒸汽排放口噪声治理示意图


六、降噪选材依据

1、吸隔声板的选材

      在工程应用中,一般都采用金属板作为吸隔声板的隔声层,而金属板一般应用较为广泛的有:1)镀锌板;2)不锈钢板;3)铝板;4)彩钢板,其中不锈钢板与铝板价格较为贵重,而彩钢板隔声量不足,只能用于隔声量不高的工程中,镀锌板在众多板材中以其较高的性价比脱颖而出,在噪声治理工程中应用广泛。

2、隔声屏障的选材

      在现有的技术基础上,一般有以下几种隔声屏障:

      1)FC隔声屏障

      FC纤维水泥加压板简称FC?板,声屏障生产单位用FC穿孔板作声屏障面板,用在高速公路上,主要优点成本低、声学效果一般,问题由于其吸水率大于17%,用在室外易风化,寿命短,且不美观。

      2)PC板

      PC板又称为聚碳酸酯耐击板,PC板具有耐冲击、阻燃的特性。6mm厚的PC板平均隔声量21.5dB,隔声指数24dB?,代声屏障用的较多,主要优点制作方便,有一定隔声效果,缺点成本不低,有眩光,吸声效果不佳。

      3)彩钢复合板

      彩钢复合板具有结构形式灵活,式样多,美观,自重轻,隔声性能好,安装简便、快速等优点。它是两面采用厚度0.5-0.6?mm的彩涂钢板,中间填入阻燃型聚苯乙烯板,测试结果进一步显示吸声彩钢复合板在400~800Hz频段上其吸声系数均大于0.85,表明本材料对中频声吸收效果更佳。因公路交通噪声主要为中低频声音,其能量分布在500Hz附近,所以本材料良好的吸声性能对降低公路交通噪声较为有利?。因此用彩钢复合板制成的声屏障吸声构件,在具体公路声屏障建设使用中能有效地降低在双侧屏障存在时,因声反射对行车道区域声环境所产生的污染,但是因彩钢板厚度仅为0.5-0.6mm,隔声量明显不足,仅为15dB左右,而隔声屏障的噪声衰减量就为15db,所以在本工程,彩钢复合板不适用。

      4)金属复合板

      它的结构设计,综合了薄板共振吸声结构及穿孔板吸声结构。主要特点:?吸隔声板由前板与后板组成,厚度由50-200mm,中间由吸声材料与空腔组成,空腔的厚薄根据噪声的声源频率来决定。

      综合以上考虑,本次隔声屏障采用金属隔声屏障。

3、吸音棉的选材

      在国内,现有的主要应用的技术成熟的吸音棉主要有以下几种:

      1)聚酯纤维棉

      聚酯纤维棉具有吸声性能好,环保,不会散发颗粒物,影响人体健康,所以常用于人员常驻的场所或者用于食品行业降噪工程中,但聚酯纤维棉有个致命缺陷—防火等级仅为B级,基本不适用于工厂车间。且价格较为昂贵。

      2)岩棉

      岩棉具有较好的防火性能,但其吸声性能一般,所以现在行业基本不采用岩棉作为吸声材料。

      3)离心

      离心可以这样说,一经量产,就可以说是推动了整个噪声治理行业的发展,它以其简单的生产工艺,优质的吸声效果,低廉的价格,深受广大设计师的偏爱,在现有的噪声治理行业中,离心作为吸音材料占有的主导地位。故本次吸音材料选用离心。

4、蒸汽消声器材质的选取

      蒸汽消声器目前主要的材质有,碳钢;不锈钢两种,碳钢虽成本较为低廉,但不耐腐蚀,在有俯视条件下,受用寿命不长,与不锈钢相比,在现有条件下,综合相比较而言,还是不锈钢较为经济。故蒸汽消声器选用不锈钢材质。

      福州乐信环保科技有限公司是一家从事噪声治理,噪音治理和建筑声学设计的专业公司。公司致力于噪声与振动控制工程的设计、施工、降噪设备研发、试验、生产、销售、安装及售后服务,欢迎探讨。

版权与免责声明:
1.凡本网注明"来源:全球贸易网"的所有作品,版权均属于全球贸易网,转载请必须注明全球贸易网。违反者本网将追究相关法律责任。
2.企业发布的公司新闻、技术文章、资料下载等内容,如涉及侵权、违规遭投诉的,一律由发布企业自行承担责任,本网有权删除内容并追溯责任。
3.本网转载并注明自其它来源的作品,目的在于传递更多信息,并不代表本网赞同其观点或证实其内容的真实性,不承担此类作品侵权行为的直接责任及连带责任。其他媒体、网站或个人从本网转载时,必须保留本网注明的作品来源,并自负版权等法律责任。 4.如涉及作品内容、版权等问题,请在作品发表之日起一周内与本网联系。